13661621501

#
深沟球轴承 深沟球轴承

当前位置 型号目录 > 深沟球轴承

MODEL search
Contact Us
联系我们
服务热线:13661621501
手机号码:13661621501
电子邮箱:1403545967@qq.com
报名地址:上海市奉贤区泰叶路159弄33号

CSCD160_Deep groove ball bearing

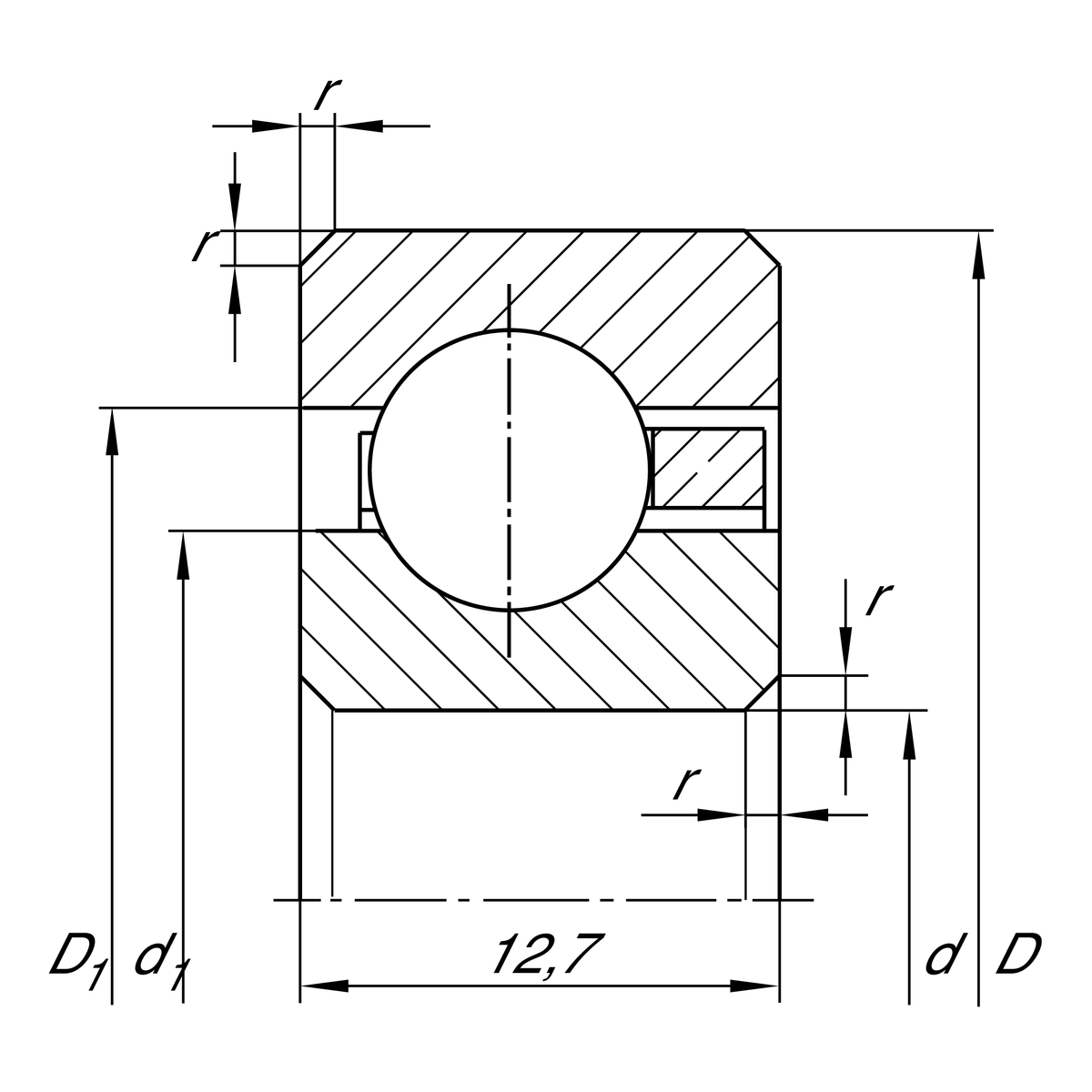
Main Dimensions & Performance Data

d

406.4 mm

d(Inch)

406.4 Inch

D

431.8 mm

B

12.7 mm

Cr

19000 N

Cor

46000 N

Limiting speed

1280 rpm

Mounting dimensions

r min

1.5 mm Minimum chamfer dimension ,

d 1

415.8 mm Shoulder diameter inner ring

D 1

422.4 mm Shoulder diameter outer ring

Temperature range

T min

-30 °C Operating temperature min.

T max

120 °C Operating temperature max.

上一篇:CSCG140

下一篇:CSCF160

返回列表页

返回顶部