13661621501

#
滚柱轴承 滚柱轴承

当前位置 型号目录 > 滚柱轴承

MODEL search
Contact Us
联系我们
服务热线:13661621501
手机号码:13661621501
电子邮箱:1403545967@qq.com
报名地址:上海市奉贤区泰叶路159弄33号

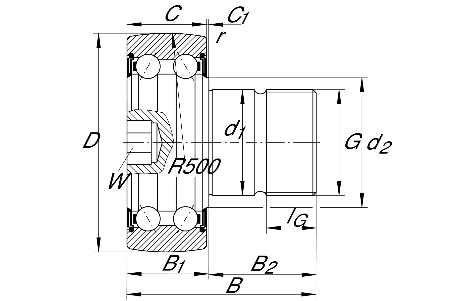
KR5206-2RS_Bolt type roller

Main Dimensions & Performance Data

d

24 mm

D

72 mm

B

74.1 mm

Cr

24700 N

Cor

18400 N

Cur

950 N

Limiting speed

3500 rpm

Mounting dimensions

B1 max

25 mm Thrust washer maximum width

B2

49.5 mm Bolt/Stud Effective Length

C

23.8 mm outer ring width

C1

0.8 mm Outer ring to thrust washer edge

d2

37.3 mm Thrust diameter of thrust washer

r min

1 mm Minimum chamfer size

G

M24X1,5 thread

IG

25 mm thread length

W

10 mm Flat width

R

500 mm Outer ring outer surface contour modification radius

上一篇:KR5205-2RS

下一篇:ZLE5204-2Z

返回列表页

返回顶部