13661621501

#
回转支承 回转支承

当前位置 型号目录 > 回转支承

MODEL search
Contact Us
联系我们
服务热线:13661621501
手机号码:13661621501
电子邮箱:1403545967@qq.com
报名地址:上海市奉贤区泰叶路159弄33号

VLI200944-N-RL1_Slewing ring four-point contact bearing inner gear teeth

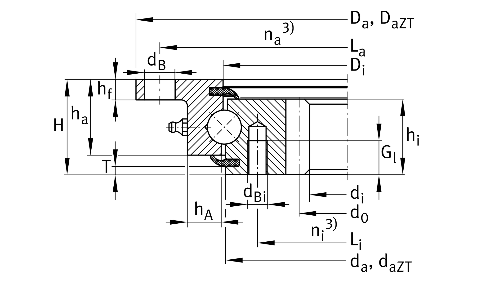
Main Dimensions & Performance Data

d

840 mm

D

1048 mm

B

56 mm

Mounting dimensions

Di

945.5 mm Inner diameter outer ring

0.7 mm Inner diameter outer ring upper tolerance

0 mm Inner diameter outer ring lower tolerance

La

1,020 mm Pitchcircle diameter fixing holes outer ring

na

16 Number of fixing holes in outer ring

dB

18 mm Fixing bore

da

942.5 mm Outside diameter inner ring

0 mm Outside diameter inner ring upper tolerance

-0.7 mm Outside diameter inner ring lower tolerance

Li

905 mm Pitchcircle diameter fixing holes inner ring

dBi

M12 Tread fixing bore

Gl

20 mm Thread depth fixing hole

ni

22 Number of fixing holes in inner ring

Fr zul

122,000 N Max. radial friction locking of the screws

m

8 mm Modul of gearing

z

107 Number of teeth

d0

856 mm Pitch circle diameter gearing

hA

20 mm Ring cross section

Fz norm

31,400 N Max. tooth force root fatigue strenght (at a shock factor of 1,2)

,Fz max

46,700 N Max. tooth force against tooth fracture (at a shock factor of 1,35)

Temperature range

T min

-25 °C Minimum operating temperature

T max

80 °C Maximum operating temperature

Calculation coefficient

Ca

188,000 N Basic dynamic load rating, axial

C0a

670,000 N Basic static load rating, axial

Cr

170,000 N Basic dynamic load rating, radial (for radial load only)

C0r

250,000 N Basic static load rating, radial (for radial load only)

上一篇:VLI200944-N

下一篇:VLI200944-N-RR

返回列表页

返回顶部