13661621501

#
回转支承 回转支承

当前位置 型号目录 > 回转支承

MODEL search
Contact Us
联系我们
服务热线:13661621501
手机号码:13661621501
电子邮箱:1403545967@qq.com
报名地址:上海市奉贤区泰叶路159弄33号

VSU200414-RL2_Slewing ring four point contact bearing without gear teeth

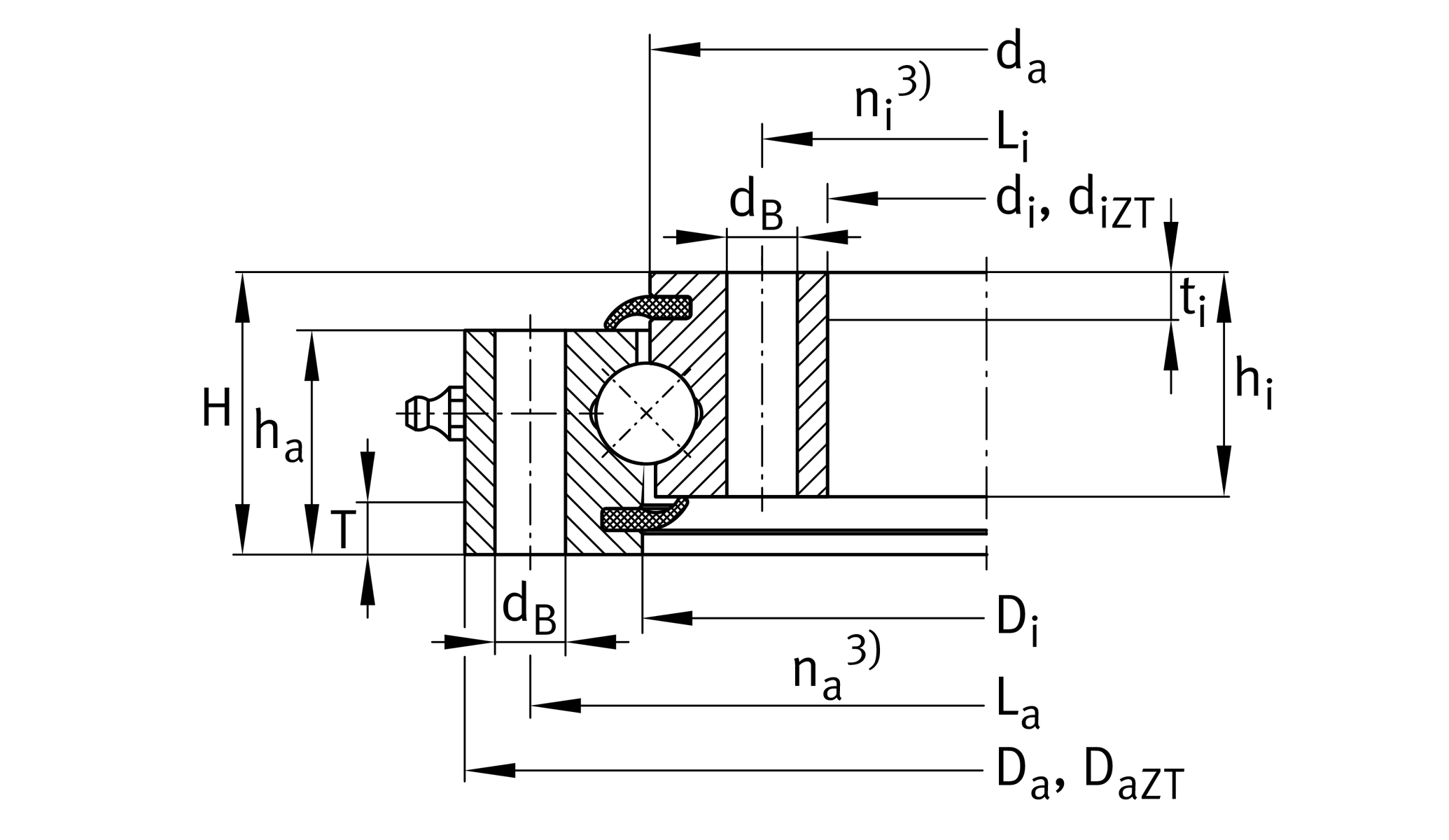
Main Dimensions & Performance Data

d

342 mm

D

486 mm

B

56 mm

Mounting dimensions

Di

415.5 mm Inner diameter outer ring

0.5 Inner diameter outer ring upper tolerance

0 Inner diameter outer ring lower tolerance

da

412.5 mm Outside diameter inner ring

0 mm Outside diameter inner ring upper tolerance

-0.5 mm Outside diameter inner ring lower tolerance

dB

14 mm Fixing bore

La

460 mm Pitchcircle diameter fixing holes outer ring

na

24 Number of fixing holes in outer ring

Li

368 mm Pitchcircle diameter fixing holes inner ring

ni

24 Number of fixing holes in inner ring

Fr zul

76,000 N Max. radial load screws

Temperature range

T min

-25 °C Minimum operating temperature

T max

80 °C Maximum operating temperature

Calculation coefficient

Ca

137,000 N Basic dynamic load rating, axial

Cr

124,000 N Basic dynamic load rating, radial (for radial load only)

C0r

305,000 N Basic static load rating, radial (for radial load only)

C0a

660,000 N Basic static load rating, axial

上一篇:VSU200414-RL1

下一篇:VSU200414-RR

返回列表页

返回顶部