联系我们
          联系人:燕经理
 
          电   话:13661621501
          座   机:13661621501
          Q Q号:1403545967
          邮   箱:1403545967@qq.com
          地   址:上海市奉贤区泰叶路159弄33号
          网站备案号: 沪ICP备2022003579号-2 XML地图 
        
      
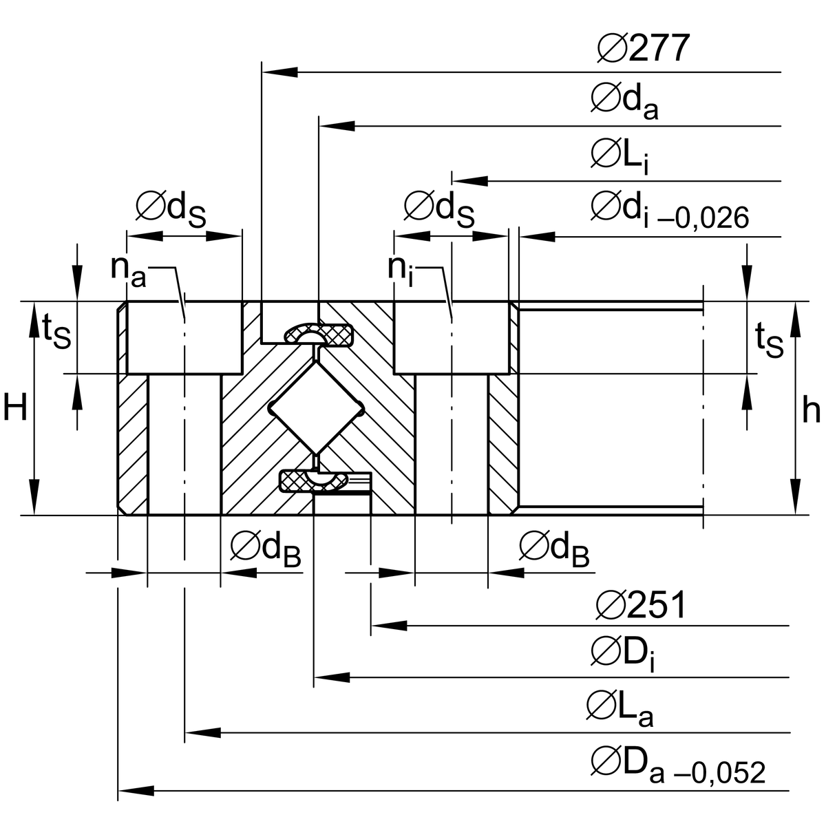
                            d | 
                          215.9 mm | 
                            D | 
                          311 mm | 
                            B | 
                          25.4 mm | 
                            Di | 
                          264.6 mm | Inner diameter outer ring | 
                            ha | 
                          25.4 mm | outer ring width | 
                            La | 
                          295.3 mm | Pitch diameter fixing hole outer ring | 
                            na | 
                          12 | Number of outer ring fixing holes | 
                            da | 
                          263.4 mm | Outer diameter | 
                            hi | 
                          25.4 mm | single ring height | 
                            dB | 
                          8.7 mm | fixing hole | 
                            dS | 
                          13.7 mm | diameter of fixing hole | 
                            tS | 
                          8.6 mm | fixing hole depth | 
                            Li | 
                          231.8 mm | Pitch circle diameter fixing hole inner ring | 
                            ni | 
                          12 | Number of inner ring fixing holes | 
                            VSP min | 
                          0 mm | Minimum bearing preload | 
                            VSP max | 
                          0.02 mm | Maximum bearing preload | 
                            T min | 
                          -30 °C | Minimum operating temperature | 
                            T max | 
                          80 °C | Maximum operating temperature | 
                            Ca | 
                          79,000 N | Basic dynamic load rating, axial | 
                            Cr | 
                          56,000 N | Basic dynamic load rating, radial (for radial load only) | 
                            C0a | 
                          148,000 N | Basic static load rating, axial | 
                            C0r | 
                          73,000 N | Basic static load rating, radial (for radial load only) | 
                            Fr zu. | 
                          27,500 N | Max. radial load screws |